Diagramas e Instalación
Gestión de Activos: Diagramas de Flujo y Rutinas de Engrase en Sistemas Industriales
La confiabilidad y la disponibilidad de la maquinaria industrial dependen intrínsecamente de la correcta interpretación de su arquitectura y la implementación de rutinas de lubricación precisas. Estos elementos son la base del mantenimiento preventivo y predictivo.

La Relevancia Técnica del Diagrama Hidráulico/de Fluidos
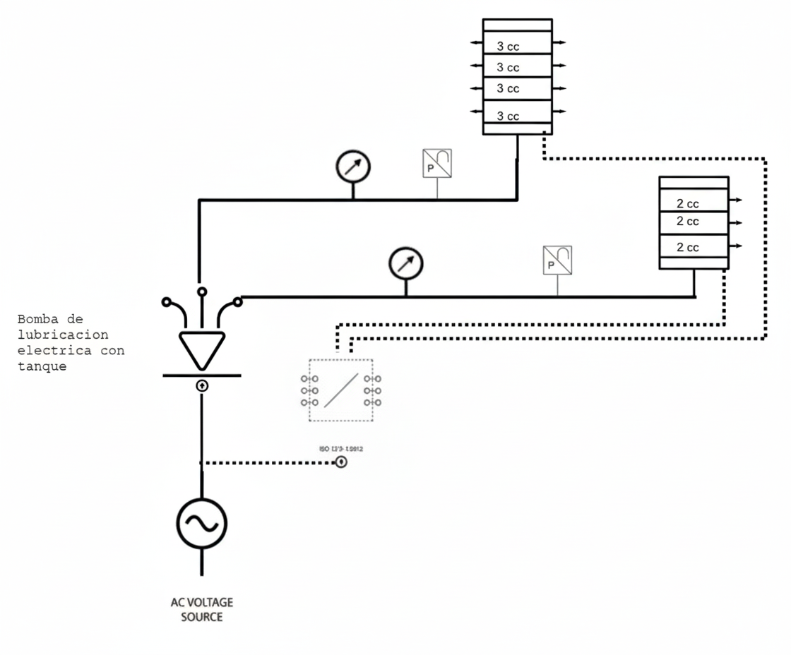
El Diagrama de Fluidos (P&ID) es un documento de ingeniería fundamental, esencialmente la hoja de vida técnica del sistema. Su correcta interpretación no es negociable para una gestión de mantenimiento efectiva.

Este esquema detallado permite:
Diagnóstico Certero: Identificar la trayectoria exacta del fluido, la ubicación de componentes (bombas, válvulas direccionales, compensadores, acumuladores) y los puntos de control de presión y caudal. Esto reduce el tiempo medio de reparación (MTTR).
Análisis de Fallos: Correlacionar fallas de rendimiento (pérdida de presión o sobrecalentamiento) con componentes específicos, permitiendo un análisis causa-raíz riguroso.
Soporte Operacional: Garantizar que las reposiciones o ajustes se realicen con las especificaciones técnicas exactas definidas en el diseño original.
Mientras que el fluido hidráulico garantiza la lubricación interna del circuito (un proceso de Lubricación por Aceite), las interfaces mecánicas expuestas requieren un programa dedicado de Lubricación por Grasa.
El Plan de Lubricación y Engrase se genera a partir de un Reconocimiento de Puntos Críticos en la planta:
Descripción Técnica y Objetivo | |
Identificación de Puntos | Mapeo exhaustivo y catalogación de cada componente que requiere grasa (p. ej., rodamientos de motor, chavetas, pasadores de cilindros). Se establece una criticidad por ubicación y función. |
Dimensionamiento (Cantidad) | Determinación del volumen exacto de grasa requerido (expresado en gramos o centímetros cúbicos). El cálculo se basa en el volumen libre del alojamiento del rodamiento, evitando la sobre-lubricación, que genera exceso de temperatura y consumo de energía. |
Frecuencia (Intervalo) | Establecimiento de los intervalos de re-engrase óptimos (horas de servicio, ciclos o tiempo calendario). La frecuencia debe evitar el agotamiento de las propiedades de la grasa, manteniendo siempre una película lubricante efectiva. |
Instalación
Instalación Profesional de Sistemas de Lubricación
Aumente la vida útil de su maquinaria y optimice el mantenimiento. Nuestros técnicos de campo, especializados y certificados, ejecutan instalaciones impecables en diversos entornos:
· Líneas de producción industrial
· Maquinaria pesada de movimiento
· Plantas de extracción y procesamiento
Soluciones Precisas para cada Complejidad
Adaptamos la instalación a sus necesidades, manejando todos los niveles de complejidad según el tamaño de su equipo y las funciones de control requeridas.
Nuestro Proceso: Eficiencia y Precisión Garantizadas
Planificamos meticulosamente cada proyecto para garantizar resultados superiores y sin contratiempos.
1. Evaluación Técnica: Levantamiento de información detallado en sitio.
2. Ingeniería y Documentación: Creación de planos, listas de materiales y rutinas de engrase específicas.
3. Ejecución Impecable: Instalación eficiente por nuestro personal especializado, minimizando paradas.
Beneficios Clave
· Personal Certificado: Expertise técnico garantizado.
· Planificación Rigurosa: Cero improvisaciones, máximo rendimiento.
· Documentación Completa: Usted recibe toda la información técnica de su sistema.